PFAS in our water: a global problem demands a sustainable solution
PFAS (per- and poly-fluoroalkyl substances) contamination of groundwater is a widespread problem on a massive scale, impacting the water sources that 65% of Europeans1 use for drinking, bathing, and cooking.
According to the European Environment Agency, human biomonitoring has detected a range of PFAS in the blood of European citizens, and exposure to PFAS chemicals is linked to an increased risk of numerous severe health problems, including lower birth weights, thyroid and liver disease, and cancer.2
Unfortunately, the default groundwater extraction and treatment (i.e., 'pump-and-treat') approach, which is used to contain further PFAS migration, relies on continuously powered, waste-generating mechanical systems that contribute to another global environmental problem: climate change.
A different approach that is gaining popularity uses no power, produces no waste, and is significantly less costly. Known as in situ PFAS remediation, this approach offers a sustainable solution to combat the growing PFAS challenge.
PFAS contamination in Europe's groundwater
Groundwater aquifers across Europe have become widely contaminated by PFAS due to the leaching of these chemicals into the groundwater from the use of Aqueous Film Forming Foam (AFFF) at airports and military installations, as well as landfills, and industrial sites that have incorporated these products into their manufacturing processes.
According to the Forever Pollution Project3 ‒ a European consortium of investigative journalists and media partners ‒ 23,000 PFAS-contaminated sites are confirmed in Europe, with another 21,500 sites presumed but not yet confirmed based on land use activity. According to one projection, the remediation costs to address contamination from these sites could potentially soar into the hundreds of billions of Euros.4

Map of known and potential PFAS contamination in Europe, March 2024. Credit: Forever Pollution Project / Le Monde
PFAS are swept up by the groundwater, which can transport the chemicals up to kilometres away from their original release point. Often these PFAS contaminant 'plumes' are intercepted by ‘receptors’ such as drinking water wells. Water from these wells then requires pre-treatment, as drinking PFAS-contaminated water is a primary pathway into the body for chemicals associated with an expanding list of health impacts.5
The consequences of unregulated PFAS releases into the environment have become severe for many communities. For example, people living within 15 kilometres of a 3M PFAS manufacturing site in Zwijndrecht, Belgium have been told to avoid locally grown vegetables and produce. In Sweden, a town near a military fire training site had such high levels in their water that the Swedish Supreme Court issued a landmark ruling, judging "that the high levels of PFAS in the residents’ blood represent such a considerable physical deterioration of their bodies that they have suffered a physical defect, which in terms of law damages, is a personal injury."6 Numerous other 'forever chemical' exposures and related health effects have been reported across Europe.7,8,9,10,11,12
Substantial and timely remediation efforts must be made to prevent future PFAS impacts. However, only two alternatives are currently feasible and available to implement.
Two approaches for remediating PFAS in groundwater
The two approaches for remediating PFAS in groundwater comprise:
- ex situ mechanical pump-and-treat systems; or
- in situ remediation through stabilisation.
Both methods are used to contain the PFAS to prevent exposure risk to downstream human or environmental receptors.
Pump-and-treat: bringing PFAS above the surface
Pump-and-treat involves mechanical systems that pump PFAS-contaminated groundwater above the surface and treat it by separating the PFAS, usually by filtering the water with granular activated carbon (GAC) or other sorbent materials. The pumping does not ‘clean’ the aquifer;13 instead, it creates a hydraulic barrier that prevents further groundwater movement in the subsurface. The barrier must be constant to maintain this condition.
The pumping system continually brings PFAS-contaminated water to the surface during operation, creating potential exposure to site operatives or residents. The water is then filtered, resulting in filter materials needing to be regularly replaced to prevent PFAS from breaking through the hydraulic containment zone. The PFAS-laden filtration wastes must be handled, transported on public roads, and disposed of at a landfill or treated by incineration, increasing the number of exposure pathways presented by the contamination.14

Pump-and-treat for PFAS remediation with associated waste stream. Credit: REGENESIS
In situ remediation: keeping PFAS below the surface
In situ PFAS remediation involves creating a below-ground activated carbon filter that removes PFAS as groundwater naturally flows through it. The filter is made by injecting a liquid, colloidal activated carbon (CAC) material, containing red-blood-cell-sized (i.e., less than 2 microns) particles of activated carbon that permanently attach to the aquifer matrix. This process converts the subsurface into a pollutant filter that removes PFAS from the groundwater. Operating passively, the filter requires no external power source. Additionally, no waste is produced since the treatment occurs entirely below ground.

In situ remediation of PFAS using CAC in a permeable sorptive barrier. Credit: REGENESIS
|
|
|
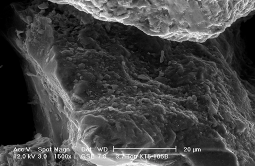
Left: Scanning electron microscope image of untreated sand grains (scale is 50 microns). Credit: REGENESIS. Right: Scanning electron microscope image of sand grains coated with CAC (scale is 20 microns). Credit: REGENESIS
In situ remediation of PFAS has been implemented at over 50 sites globally so far, including Europe, Scandinavia, and the UK. Numerous third-party, peer-reviewed research articles and case studies demonstrate its effectiveness,15 while numerous modelling studies project decades of PFAS removal following a single treatment.
Sustainability and PFAS remediation
Whether remediated ex situ or in situ, a typical PFAS plume contains billions of litres of groundwater that require pumping or passively treating over decades-long timeframes. Considering the thousands of PFAS plumes likely to require treatment in Europe alone, there will be an urgent need to deploy economically feasible and sustainable remediation solutions that minimise energy usage, greenhouse gases, and waste.
| Sustainable remediation is defined by the International Organization for Standardization (ISO 18504:2017) as “the elimination and/or control of unacceptable risks in a safe and timely manner whilst optimizing the environmental, social, and economic value of the work.” |
|---|
It would seem logical that in situ remediation, powered only by naturally flowing groundwater and producing no waste, offers greater sustainability benefits than the ex-situ pump-and-treat approach. However, these sustainability differences were not quantified until recently, when they were examined as part of a PFAS remediation project at a commercial airport in the UK.
Case study: life-cycle assessment of pump-and-treat vs. in situ remediation for PFAS at a UK Airport
At a UK airport, remediation was necessary to stop offsite PFAS migration downgradient of a fire training area where firefighting foams containing PFAS were historically discharged. A Life Cycle Assessment (LCA) was completed,16 according to ISO14044 and ISO14025 for implementing the actual in situ CAC barrier vs. two alternative ex situ treatment approaches: GAC filtration or foam fractionation (FF), which concentrates the PFAS waste but requires more energy for its operation.
A Life Cycle Cost Analysis (LCCA) was also completed for both approaches. A 15-year project life cycle was considered for all approaches. For the CAC material, the life-cycle boundaries extend from ‘cradle to grave’, including upstream material sourcing, core manufacturing processes, and the downstream processes of transport and injection into the ground. The pump-and-treat boundaries encompass the equipment manufacturing and civil works for system construction, system operation & maintenance (O&M), and waste management. Remediation performance monitoring was considered for all cases. Contaminated site stakeholders increasingly rely on LCA, LCCA, and other sustainability assessment tools to help guide remedial decision-making.
Assessment results
The LCA demonstrated that in situ remediation had a 40-70 times lower carbon footprint (i.e., greenhouse gas emissions) and a 95+ per cent smaller raw material, energy, and waste footprint, when compared to the two pump-and-treat methods evaluated (GAC or FF).
Additionally, over the nominal 15-year project life-cycle evaluation period, the in situ approach avoids all the following:
- Discharging 800 million litres of groundwater,
- disposing of up to 360,000 kgs of PFAS-saturated GAC filtration waste,
- 60 O&M visits, including travel to/from the site,
- permanent onsite infrastructure,
- noise pollution, and
- system downtime (allowing contamination to escape the containment).
The in situ CAC remediation was completed in only a few weeks at less than 40 per cent of the cost of the pump-and-treat alternatives. In its first year of operation, the CAC barrier treated 18 million litres of PFAS-contaminated groundwater, protecting the offsite environment without any pumping, energy consumption, or waste produced. Using a Tier 2 Sustainability Assessment, complying with ISO 18504:2017 and ASTM E2893-16, the in situ approach had a 100 per cent higher sustainability score.16
In situ PFAS remediation approach wins Brownfield Award for 2023
Given its sustainability advantages and the ability to be implemented rapidly, the in situ CAC barrier approach was also implemented at a private airport site in the UK during the same timeframe. By eliminating target PFAS compounds to below detection limits, and reducing any potential PFAS exposure risk, the remediation allowed the private airfield to be redeveloped. These results led to the project being awarded the ‘Best Application of Remediation Technologies’ at the Environment Analyst Brownfield Awards 2023 ceremony in Manchester, UK.
Conclusion
As more PFAS-contaminated sites are discovered and regulations requiring their cleanup begin to be enforced, the demand for proven, low-cost, and sustainable solutions to protect our precious water resources will intensify. Groundwater remediation professionals are being challenged with addressing PFAS pollution economically while avoiding further environmental impacts caused by the cleanup activities. To achieve this, there is a need for sustainability assessments to become a critical factor in determining the remediation approach applied. This will provide clarity on the wider, long-term impact of powered, waste-producing mechanical technologies. The alternative passive, in situ remediation solution can minimise costs and eliminate unnecessary carbon emissions and PFAS waste production. Consequently, the in situ approach emerges as a viable, sustainable remediation answer to the challenge posed by widespread PFAS contamination.
About Gareth Leonard
Gareth Leonard (BSc (Hons), MSc, FGS, CEnv) is the Managing Director of REGENESIS in Europe. He has been a member of the IES for over 4 years, and is a regular attendee of the IES’ webinar programme.
References
1 European Environment Agency (2022) Europe’s groundwater — a key resource under pressure. https://www.eea.europa.eu/publications/europes-groundwater (Accessed: 30 July 2024).
2 European Environment Agency (2019) Emerging chemical risks in Europe – ‘PFAS’. https://www.eea.europa.eu/publications/emerging-chemical-risks-in-europe (Accessed: 30 July 2024).
3 The Forever Pollution Project, Home page. https://foreverpollution.eu/ (Accessed 31 July 2024).
4 Nordic Council of Ministers (2019) The Cost of Inaction: A socioeconomic analysis of environmental and health impacts linked to exposure to PFAS. https://norden.diva-portal.org/smash/get/diva2:1295959/FULLTEXT01.pdf (Accessed 31 July 2024).
5 European Environment Agency (2019) Emerging chemical risks in Europe – ‘PFAS’. https://www.eea.europa.eu/publications/emerging-chemical-risks-in-europe (Accessed: 30 July 2024).
6 Hofverberg, E. (2024) Sweden: Supreme Court Declares High Levels of PFAS in Blood Constitutes Personal Injury. https://www.loc.gov/item/global-legal-monitor/2024-03-06/sweden-supreme-court-declares-high-levels-of-pfas-in-blood-constitutes-personal-injury (Accessed 30 July 2024).
7 Forns, J, et al. (2020) Early Life Exposure to Perfluoroalkyl Substances (PFAS) and ADHD: A Meta-Analysis of Nine European Population-Based Studies. Environmental Health Perspectives 128 (5) https://doi.org/10.1289/EHP5444
8 Richterovà, D. et al. (2023) PFAS levels and determinants of variability in exposure in European teenagers – Results from the HBM4EU aligned studies (2014–2021). International Journal of Hygiene and Environmental Health 247. https://doi.org/10.1016/j.ijheh.2022.114057
9 RTL News (2023) RIVM: Dutch people ingest too much unhealthy PFAS through food. 06 July. https://www.rtlnieuws.nl/nieuws/nederland/artikel/5394657/vis-pfas-voedingsadvies-rivm-gezondheid-gevarieerd (Accessed: 30 July 2024).
10 Boztas, S. (2023) Netherlands warns children not to swallow sea foam after PFAS concerns. 13 July. https://www.theguardian.com/environment/2023/dec/13/netherlands-children-not-swallow-sea-foam-pfas-concerns (Accessed: 30 July 2024).
11 Maria, A., Brox, J., Huber, S., Furberg, A. (2021) Exposure to perfluoroalkyl substances (PFAS) and dyslipidemia, hypertension and obesity in adolescents: The Fit Futures study. Environmental Research 195. https://doi.org/10.1016/j.envres.2021.110740
12 Mastrantonio, M., Bai, E., Uccelli, R., Cordiano, V., Screpanti, A., Crosignani, P. (2018) Drinking water contamination from perfluoroalkyl substances (PFAS): an ecological mortality study in the Veneto Region, Italy. European Journal of Public Health 28 (1), pp. 180‒185. https://doi.org/10.1093/eurpub/ckx066
13 Carroll, K., Brusseau, M., Tick, G., Soltanian, M. (2024) Rethinking pump-and-treat remediation as maximizing contaminated groundwater. Science of the Total Environment 918. https://doi.org/10.1016/j.scitotenv.2024.170600
14 Hall, L., Wilson, J., Birnstingl, J. (2024) Pandora’s PFAS box: Life cycle exposure considerations of treatment options for PFAS in groundwater. Remediation 34 (2). https://doi.org/10.1002/rem.21775
15 Regenesis (2024) PFAS Research Articles Supporting Colloidal Activated Carbon Technologies. https://regenesis.com/eur/pfas-research-articles-supporting-colloidal-activated-carbon-technologies/ (Accessed 31 July 2024).
16 Ramboll (2023) Sustainability assessment of in situ and ex situ remediation of PFAS contaminated groundwater. https://regenesis.com/wp-content/uploads/2019/12/Sustainability-Case-study-PlumeStop-vs-PT-Final.pdf (Accessed: 30 July 2024).

